Fabrication de ma première guitare de A à Z.
En juin 2025, j’ai passé une semaine chez un luthier pour fabriquer entièrement ma guitare. J’ai été accueilli par Nicolas Walkowiak (de Walko Guitars), et grâce à ses conseils et à son outillage qu’il a mis à ma disposition, j’ai enfin pu concrétiser ce souhait de fabriquer entièrement une guitare de mes propres mains.
Pour varier, puisque j’avais déjà fabriqué le corps de ma Telecaster Gold , j’ai souhaité une forme et un style différent avec un diapason court, comme les Gibson. Mon choix s’est donc arrêté sur un style Les Paul Junior Double Cut.
Premier jour :
En arrivant le lundi matin, il y avait simplement 3 pièces brutes préparées par Nicolas : un morceau de châtaignier pour le corps, un assemblage d’érable pour le manche et la tête, et une plaque de palissandre pour la touche.
L’opération suivante va consister à rainurer l’emplacement du trussrod et des deux renforts carbone
Fin du premier jour ! laisser la nuit pour le séchage.
Deuxième jour :
Troisième jour :
Continuer à sculpter le manche et s’attaquer au corps.
Quatrième jour :
Finition du manche et frettage
Cinquième jour :
Finition du frettage, planéité, assemblage du manche
Sixième jour :
Installation de l’électronique
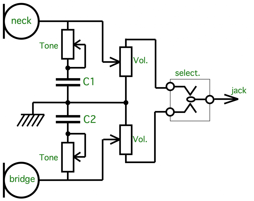
Le câblage habituel correspond au schéma ci-contre. Sortant de chaque micro, le signal est corrigé par le filtre RC constitué du potentiomètre de tonalité et du condensateur. En modifiant la position du curseur, on atténue plus ou moins les aigus. Puis le signal arrive au potentiomètre de volume, dont le curseur prélève une partie ou la totalité pour la diriger vers la sortie, le jack de branchement vers l’ampli.
L’inconvénient dans ce cas, c’est qu’en position médiane du commutateur, lorsque les deux micros sont sollicités en même temps, les curseurs des 2 potentiomètres sont reliés électriquement. Donc dès que l’un des volumes est à zéro, l’autre l’est aussi. C’est assez désagréable dans certaines situations.
J’ai donc souhaité éviter ce désagrément.
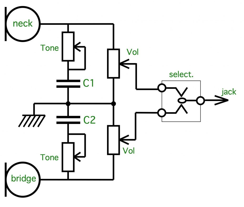
J’ai constaté que sur certaines guitares, singulièrement les basses Fender, qui n’ont pas de sélecteur de micro, ce problème n’existe pas. En réalité, le câblage sur ces guitares est… à l’envers ! Le signal du micro attaque le curseur du volume de sortie, ce qui permet d’isoler les curseurs l’un de l’autre. Ainsi, même quand l’un des micros est à zéro, le volume de l’autre n’est pas modifié.
En effectuant cette simple inversion de câble directement sur les cosses des potentiomètres, le problème est résolu.


